Monday, January 23, 2023

[34+] Vanguard 23 Hp Wiring Diagram, Vanguard Motor Wiring Diagram - BLANKETSTEALER

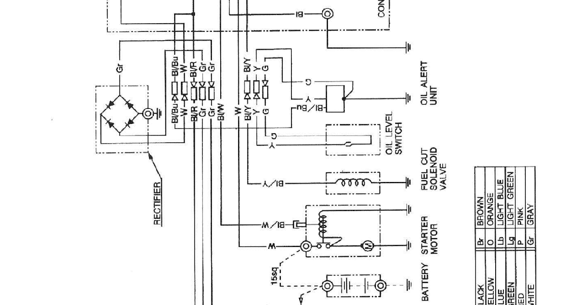
Vanguard 23 Hp Wiring Diagram Vanguard Motor Wiring Diagram

Mower ignition bilt troy vanguard solenoid huskee todaysmower mtd diagramweb

16 hp vanguard starter solenoid wiring diagram. Briggs wiring intek magneto charging. Vanguard 23 hp wiring diagram. Briggs stratton intek vanguard solenoid 540cc kohler imageservice opeengines

Brigg & Stratton Vanguard 16 Hp Basic Wiring Diagram | Switch

Brigg & Stratton Vanguard 16 Hp Basic Wiring Diagram | Switch

Vanguard 23 Hp Wiring Diagram - Search Best 4K Wallpapers

Vanguard 23 Hp Wiring Diagram - Search Best 4K Wallpapers

Bestseller: Vanguard Engine Diagram

Bestseller: Vanguard Engine Diagram

Vanguard 23 Wiring Diagram - Wiring Diagram

Vanguard 23 Wiring Diagram - Wiring Diagram

Briggs And Stratton Vanguard 23 Hp Wiring Diagram - Search Best 4K

Briggs And Stratton Vanguard 23 Hp Wiring Diagram - Search Best 4K

No comments: