Thursday, November 24, 2022

Sound Wiring Diagram Intermediate Switch, Sound Activated Switch Circuit - ElectroSchematics.com

Sound Wiring Diagram Intermediate Switch How To Implement Circuit For Sound Operated Switch?

Humbucker humbuckers 1tone emg telecaster selector headcontrolsystem 3way parallel dimarzio

Sound switch activated circuit diagram simple electronic. Circuit diagram. Ceiling speaker wiring diagram. Wiring diagram switch light mobile pole single way ac dimmer

Mobile Home Light Switch Wiring Diagram Gallery | Wiring Diagram Sample

Mobile Home Light Switch Wiring Diagram Gallery | Wiring Diagram Sample

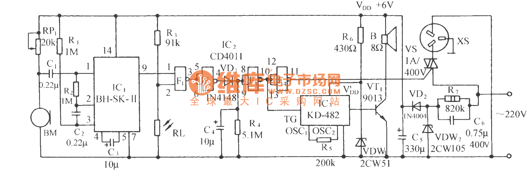
Sound and light double control electrical switch socket circuit

Sound and light double control electrical switch socket circuit

Speaker Selector Switch Wiring Diagram - easywiring

Speaker Selector Switch Wiring Diagram - easywiring

Micro Light Switch - video Dailymotion

Micro Light Switch - video Dailymotion

SX Hawk SE BK w/Bag at RondoMusic.com

SX Hawk SE BK w/Bag at RondoMusic.com

No comments:

Newer Post Older Post Home